发表时间:2024-07-28
各有关单位:
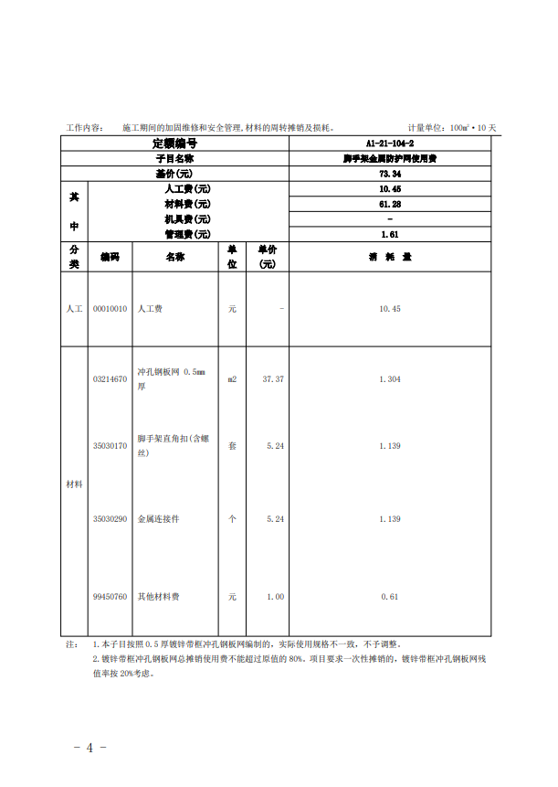
为进一步提升我省建设工程项目的安全绿色施工管理水平,经测算,补充《广东省房屋建筑与装饰工程综合定额(2018)》脚手架金属防护网相关定额子目,现印发你们,请遵照执行。
本调整内容与我省现行工程计价依据配套使用,采用其他专业综合定额为计价依据的均可直接套用,但除合同另有约定外,已经合同双方确认的工程造价成果文件不作调整。执行中遇到的问题,请通过“广东省工程造价信息化平台—建设工程定额动态管理系统”及时反馈。
广东省建设工程标准定额站
2024年7月26日


